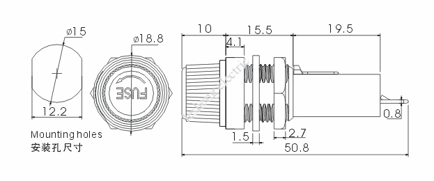
Fuse holder for panel mounting

PTF80A CR3-13

  • Times:2017-12-25 13:07:16
  • PTF80A
  • Online
Electrical Characteristics 电气特性
 
For Fuse Rated Amperage Rated Voltage Operating Power Contact Resistance Insulation Resistance Dielectric Strength
保险丝规格 额定电流 额定电压 额定功率 接触电阻 绝缘电阻 耐压
6 x 30 15A 250V 4W <5mΩ >100 MΩ >3000Vac/60”
 
·      Cap Type 冒盖型式: Screw Type 螺纹手拧式
·      Material材料:Insulating Body 绝缘体:PR UL 94 V0
                                  Contact 接触件:CuZn 37 + Ni + Sn
·      For panel mounting 用于装配板
·      Mounting装配方式: Fastening by nut用螺母旋紧固定
·      Safety Approvals安全认证:

News

CONTACT

CONTACT US

LESFUSE ELECTRIC CO.LTD

QQ:541560922

TEL:+860574-62646008 62645880 FAX:+86-0574-62645883

EMAIL:postmaster@lesheng.com

ADD:D22, No.58 Fengshan Road, Yuyao City, Zhejiang, China