Others Switch

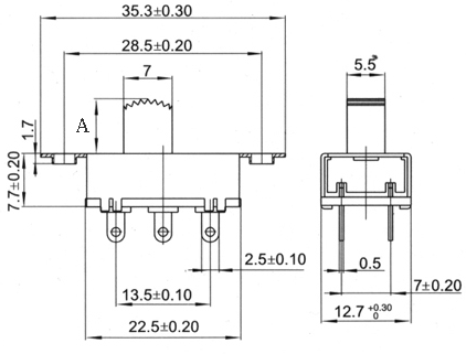
PL13-022(PBS-110-C)系列滑动开关

  • Times:2018-01-03 04:56:22
  • PL13-022(PBS-110-C)系列滑动开关
  • Online
    工作参数 Contact Rating:               250VAC/125VAC,3A/6A
    端子数 Terminal Quanlity:                6P
    通断状态 Circuitry Trait:                ON-OFF
    工作强度:Operating force:              300~600gf
    工作温度 Operating Temperature:        -10~85℃
    电器寿命 Electrical Life:              10000 Cycles
    安全认证 Safety Approvals:                   

News

CONTACT

CONTACT US

LESFUSE ELECTRIC CO.LTD

QQ:541560922

TEL:+860574-62646008 62645880 FAX:+86-0574-62645883

EMAIL:postmaster@lesheng.com

ADD:D22, No.58 Fengshan Road, Yuyao City, Zhejiang, China