其他产品

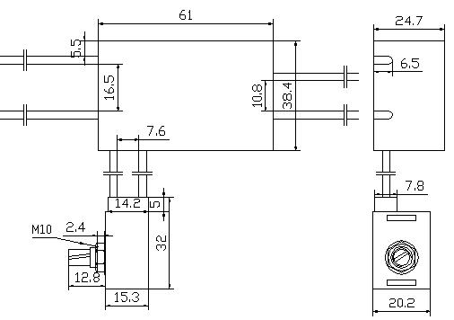
YET 1060-D

  • 发布时间:2019-10-14 03:25:25
  • 调光电子变压器 YET 1060-D
  • 在线咨询
调光电子变压器
YET 1060-D


 
输入
(I/P)
电压范围AC 220V-240V(110V-120V)
频率范围 50-60Hz
相线 单相二线
 
输出
(O/P)
 
电压AC 1.6V-6V 3.2V-11.5V
最大电流 10A(5A) 5A(2.5A)
频率 20KHz 20KHz
稳压精度 ±5% ±5%
效率 >99% >99%
保护 输出短路保护, 输出过流保护,过热保护
耐压 1500VAC/1分钟,漏电流<2 mA
储存温度 -35℃~80℃/20%-95%RH
工作温度 -15℃~60℃/30%-90%RH
工作时间 >100000小时
封装 全封闭式灌胶、超声波塑封

新闻中心

联系我们

CONTACT US

LESFUSE 乐声电器有限公司

QQ:541560922

电话:0574-62646008(总机)62645880 传真:0574-62645883

邮箱:postmaster@lesheng.com

地址:浙江省余姚市新建北路818号 智晟云谷北区7-1