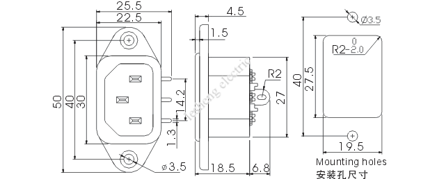
Specifications:
1. 主体材料Body Material: Black Glass-Fiber P.B.T.94V0
2. 电气参数Operating data: 10A.15A, AC250V
3. 绝缘电阻Insulation resistance: >100 MΩ/500Vdc
4. 耐压Dielectric strength:3000 VAC/1 minute
5. 装配方式:M3螺丝固定 、PCB安装
6. Safety Approvals:(安全认证):




LESFUSE 乐声电器有限公司
QQ:541560922
电话:0574-62646008(总机)62645880 传真:0574-62645883
邮箱:postmaster@lesheng.com
地址:浙江省余姚市新建北路818号 智晟云谷北区7-1