Specifications:
1. 主体材料Body Material: Black Glass-Fiber Nylon 66.94VO
2. 电气参数Operating data: 10A.15A, AC250V
3. 绝缘电阻Insulation resistance: >100 MΩ
/500Vdc
4. 耐压Dielectric strength:3000 VAC/1 minute
5.
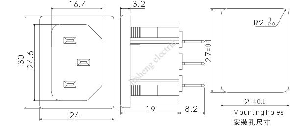
装配方式:插卡式,装配板厚度0.8,1.0或1.2mm
6.
Safety Approvals安全认证:




(尺寸及相关认证等技术参数务请确认为准