17AM系列手动复位热保护器规格书
17AM温度开关是一种过热、过电流的保护器。其体积小,快速跳脱动作,可广泛应用于小功率电动机,日光灯镇流器、照明灯具、变压器、汽车用电动机和日用家电。
特点:结构紧凑,体积小型化;精确调校温度,达到可靠准确的动作;利用双金属速动圆片实现快速可靠的
开闭动作;稳定的开闭温差,保持动作时被保护部件平均温度较低,自起动时不会引起不良的动作;
紧密密封外壳;双金属片直接焊接在外壳上,使对温度和电流的敏感性均很高,对安装时的外力也能
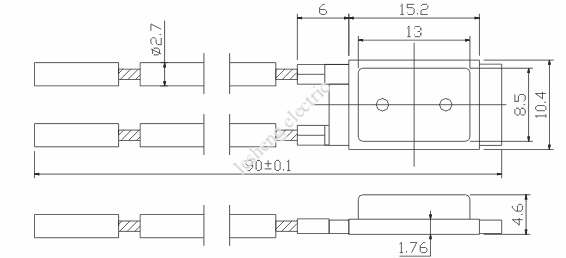
保持稳定的强度;采用耐高温绝缘引线;铆合引线的端子有A、B、E、H型,有同边及不同边两种选择.
触点寿命:在额定电压和电流负荷下循环动作10000周以上。
Eectrical Characteristics 电气特性
|
Tf额定动作温度
|
实际动作温度
|
Tc复位温度
|
接触电阻 |
Ur额定电压
|
In额定电流
|
|
(℃)
|
(℃)
|
(℃)
|
mΩ |
(V)
|
(A)
|
|
55℃-160℃
|
Tf±5
|
Tf-(5~50)±15
|
<50 |
AC250V/115V
|
8A/22A
|
|
Safety Approvals:(安全认证):



