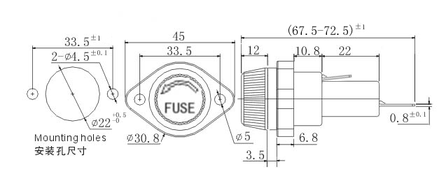
仪表板式保险丝座

CR3-18

  • 发布时间:2018-07-14 08:49:26
  • CR3-18大电流 高耐压保险座
  • 在线咨询
·      电气特性
 
保险丝规格 额定电流 额定电压 额定功率 接触电阻 绝缘电阻 耐压
10 x 38 30A AC600V 6W <5mΩ >100 MΩ >3000Vac/60”
 
·      冒盖型式: 螺纹手拧式
·           材料:绝缘体 PR UL 94 V0
      接触件:CuZn 37 + Ni + Sn
·           用于装配板
·           装配方式:用螺母旋紧固定
·          安全认证:

新闻中心

联系我们

CONTACT US

LESFUSE 乐声电器有限公司

QQ:541560922

电话:0574-62646008(总机)62645880 传真:0574-62645883

邮箱:postmaster@lesheng.com

地址:浙江省余姚市新建北路818号 智晟云谷北区7-1