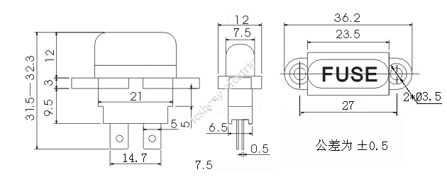
插片式保险丝座

JEF-701

·      电气特性
 

保险丝规格 额定电流 额定电压 接触电阻 绝缘电阻 耐压
中型插片ATO 257 30A DC48V<20m&Omega; >100 M&Omega; >1000Vac/60"

 
&middot;     材料:绝缘体:PVC
      接触件:CuSn7 + Sn
&middot;     适用于:汽车电器
&middot;     装配方式:插入连接 PCB焊接 
&middot;     颜色:黑色
&middot;     安全认证:

新闻中心

联系我们

CONTACT US

LESFUSE 乐声电器有限公司

QQ:541560922

电话:0574-62646008(总机)62645880 传真:0574-62645883

邮箱:postmaster@lesheng.com

地址:浙江省余姚市新建北路818号 智晟云谷北区7-1