其他开关

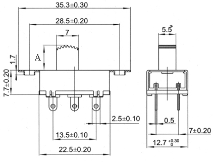
PL13-022(PBS-110-C)系列滑动开关

  • 发布时间:2018-01-03 04:56:22
  • PL13-022(PBS-110-C)系列滑动开关
  • 在线咨询
    工作参数 Contact Rating:               250VAC/125VAC,3A/6A
    端子数 Terminal Quanlity:                6P
    通断状态 Circuitry Trait:                ON-OFF
    工作强度:Operating force:              300~600gf
    工作温度 Operating Temperature:        -10~85℃
    电器寿命 Electrical Life:              10000 Cycles
    安全认证 Safety Approvals:                   

新闻中心

联系我们

CONTACT US

LESFUSE 乐声电器有限公司

QQ:541560922

电话:0574-62646008(总机)62645880 传真:0574-62645883

邮箱:postmaster@lesheng.com

地址:浙江省余姚市新建北路818号 智晟云谷北区7-1